
Con años de experiencia en el sector, realizo instalaciones eléctricas seguras, eficientes y adaptadas a tus necesidades en Vitoria-Gasteiz.


Electricista en Vitoria-Gasteiz con más de 18 años de experiencia.
técnico especialista con más de 18 años de experiencia en instalaciones eléctricas en Vitoria-Gasteiz, ofrece soluciones seguras, eficientes y adaptadas tanto a viviendas como a negocios. Como electricista autorizado, trabaja cumpliendo estrictamente la normativa vigente y el Reglamento Electrotécnico de Baja Tensión (REBT), garantizando instalaciones fiables y duraderas.
Mi enfoque se basa en la calidad del servicio, la atención personalizada y la seguridad eléctrica real en cada proyecto. Desde pequeñas reparaciones hasta instalaciones completas, cada trabajo se ejecuta con precisión, materiales de primera calidad y un alto nivel de exigencia profesional.
Si buscas un electricista en Vitoria-Gasteiz que combine experiencia, rapidez y confianza, Jorge Calderón es la elección adecuada para asegurar el correcto funcionamiento de tu instalación eléctrica.
Calidad y seguridad:
Cumplimiento estricto de normativas eléctricas vigentes y atención personalizada en cada trabajo, adaptando cada instalación a las necesidades específicas del cliente. Garantizo soluciones seguras, eficientes y duraderas, cuidando cada detalle del proceso para ofrecer un resultado fiable, profesional y conforme a los estándares de calidad exigidos.




Cuadro electrico seguro
Cuadro realizado por ARGITEC
En ARGITEC diseñamos proyectos de iluminación LED que combinan eficiencia energética, estética moderna y funcionalidad adaptada a cada espacio. La iluminación no solo cumple una función técnica, sino que transforma ambientes, mejora el confort y realza la arquitectura tanto en viviendas como en negocios..


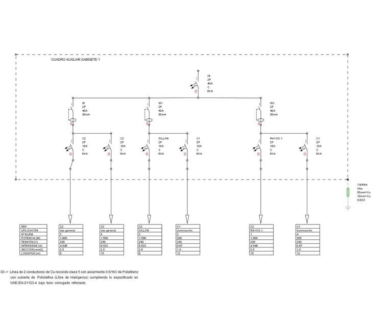
Esquema electrico de cuadro general.
contactar
Recibe consejos y ofertas exclusivas en electricidad